Nakrętki do spawania kwadratowe ze stali nierdzewnej DIN 928
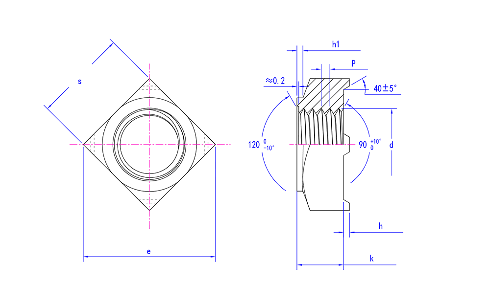
| Charakterystyka wyglądu | Kwadratowe, zwykle przeznaczone do połączenia spawanego |
| Funkcje wewnętrzne | Standardowy gwint wewnętrzny, kwadratowy na zewnątrz, z możliwością przyspawania do konstrukcji |
| Podstawowy cel | Do spawania z blachami w celu utworzenia trwałych połączeń |
| Zalety i funkcje | Kwadratowa konstrukcja jest łatwa do spawania i nadaje się do połączeń o dużej powierzchni. |
| Typowe zastosowania | Powszechnie stosowane do połączeń metalowych wymagających spawania |
| Kluczowe wskaźniki wyboru | Rozmiar gwintu, kwadratowa konstrukcja, wytrzymałość spawania |
| Wymagania specyficzne dla branży | Przemysł spawalniczy: Nadaje się do mocowania konstrukcji wymagających spawania. |















