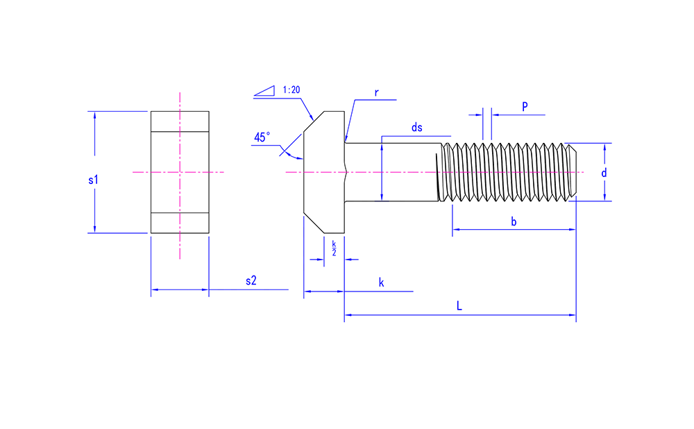
Śruby teowe ze stali nierdzewnej DIN 261
| Cechy głowy | Standardowa szyjka typu T |
| Cechy pręta | Przesuwna szyna z wpustem |
| Podstawowy cel | Szybki montaż i demontaż, odpowiedni do zastosowań o dużym obciążeniu |
| Zalety i funkcje | Konstrukcja w kształcie litery T ułatwiająca montaż i demontaż |
| Typowe zastosowania | Zastosowania o dużym obciążeniu, szybki montaż i demontaż, motoryzacja, kolej, wyposażenie maszyn. |
| Kluczowe wskaźniki wyboru | Kształt łba T, długość śruby, średnica, rodzaj gwintu, obróbka powierzchni (ochrona przed korozją). |
| Wymagania specyficzne dla branży | Przemysł kolejowy: używany do mocowania przy dużych obciążeniach i musi wytrzymywać wibracje. Sprzęt o dużym obciążeniu: odpowiedni do sytuacji wymagających szybkiego demontażu i połączeń o dużym obciążeniu. |














