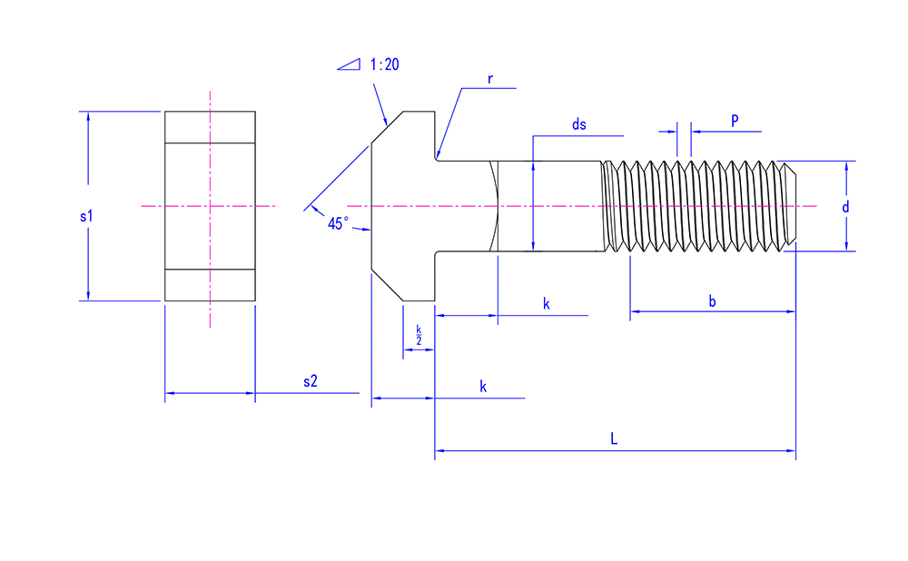
Śruby z łbem teowym ze stali nierdzewnej DIN186 ze śrubami z kwadratową szyjką
| Funkcje głowy | Głowica typu T z kwadratową szyjką zabezpieczającą przed obrotem |
| Cechy pręta | Podwójne zabezpieczenie przed obrotem |
| Podstawowy cel | Zapobiega rotacji, zwiększa stabilność |
| Zalety i funkcje | Konstrukcja z kwadratową szyjką zapobiega obracaniu się śruby, odpowiednia do mocowań o dużej wytrzymałości |
| Typowe zastosowania | Zapobiegaj obrotom i połączeniom o dużym obciążeniu, takim jak duży sprzęt, ciężkie maszyny. |
| Kluczowe wskaźniki wyboru | Kształt główki T, rozmiar kwadratowej szyjki, długość śruby, średnica, długość gwintu, materiał. |
| Wymagania specyficzne dla branży | Maszyny ciężkie: odpowiednie do sprzętu o dużych obciążeniach i konieczności zapobiegania obracaniu się śrub. Przemysł motoryzacyjny: stosowany do połączeń o dużej wytrzymałości, które zapobiegają obracaniu się śruby. |

















